Ningbo Richge Technology Co., Ltd.
Ningbo Richge Technology Co., Ltd.
Produits
VBI-24 Cylindre d'isolation de type VBI.
  • VBI-24 Cylindre d'isolation de type VBI.VBI-24 Cylindre d'isolation de type VBI.
  • VBI-24 Cylindre d'isolation de type VBI.VBI-24 Cylindre d'isolation de type VBI.

VBI-24 Cylindre d'isolation de type VBI.

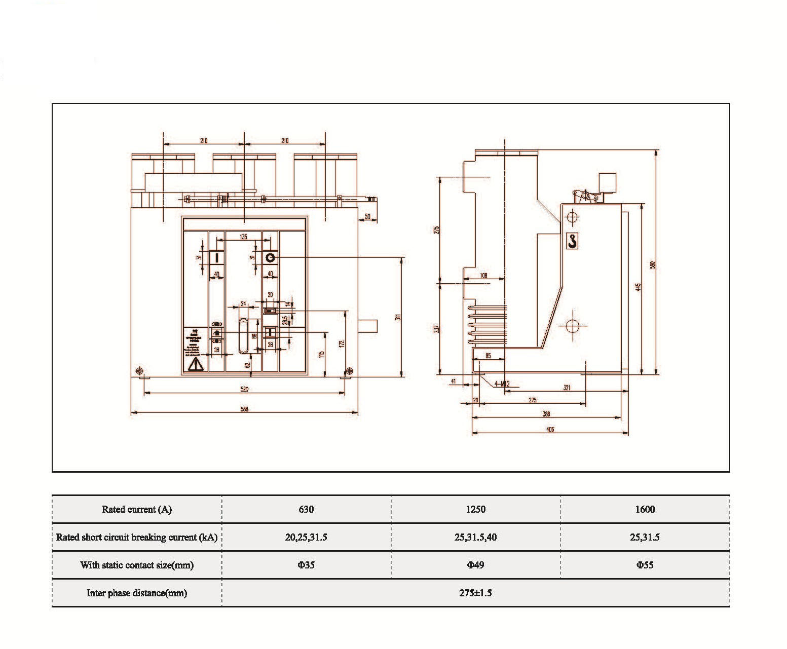
Model:VBI-24
Le disjoncteur de circuit à vide intérieur de la série VBI est une nouvelle génération de disjoncteurs intelligents à vide. Ses composantes vivantes, y compris l'interrupteur sous vide haute performance et les bornes supérieures et inférieures sortantes, sont encapsulées dans des bornes post-résine époxy. Cette conception aide à prévenir la contamination à la surface de l'interrupteur de vide, à améliorer ses propriétés d'isolation, à stabilité mécanique et à prolonger sa durée de vie opérationnelle. Le mécanisme de fonctionnement du bécher de circuit à vide de type à vide de type VBI-24 est utilisé pour l'énergie de stockage, qui peut être exploité de deux manières, manuel ou électrique. Les caractéristiques sont conformes à GB1984-89, JB3855-96<10kv Indoor High Voltage Vacuum Circuit Breaker General Technical Specifications>, Dispositions pertinentes de la norme IEC56. Le disjoncteur à vide à haute tension VBI-24 est une tension nominale triphasée AC 50Hz , de tension intérieure de 24 kV , pour les entreprises industrielles et mines, les centrales électriques et les sous-stations comme des fins de contrôle et de protection des équipements électriques, et pour un fonctionnement fréquent du lieu.

VBI-24 Cylindre d'isolation de type VBI.

   La série VBI-24 de disjoncteur à vide à haute tension intérieur avec des poteaux intégrés est à trois phrases A.C.50 Hz Équipement de distribution d'alimentation intérieure avec la tension nominale de 24 kV.

   Le circuit conducteur principal de ce type de circuit d'aspirateur avec mécanisme de ressort est le pôle incorporé, qui peut améliorer considérablement la fiabilité des performances d'isolation, mécaniques et de rupture et réaliser vraiment la durée de maintenance libre et la durée de vie mécanique et électrique plus longue. Ce type de circuit de vide de type est conforme aux normes nationales et aux stipulations de la norme IEC. La capacité atteint la note de M-E2-C2.

   Le produit est utilisé pour de nombreux types d'appareillage de commutation comme KYN28-24 (GZS1) et peut être fixe.

  Le disjoncteur à vide à haute tension VBI-24 est une tension nominale triphasée AC 50Hz , de tension intérieure de 24 kV , pour les entreprises industrielles et mines, les centrales électriques et les sous-stations comme des fins de contrôle et de protection des équipements électriques, et pour un fonctionnement fréquent du lieu.







Informations de base.


Paramètres techniques




Dessins techniques

FAQ

Q: Puis-je avoir des prix de vos produits?

R: Bienvenue. N'hésitez pas à nous envoyer une demande ici. Nous vous répondrons dans les 24 heures.


Q: Puis-je obtenir un échantillon avant la commande en vrac?

R: Oui, nous accueillons un exemple de commande pour tester et vérifier la qualité. Les échantillons mixés sont acceptables.


Q: Pouvons-nous imprimer le nom de notre logo / entreprise sur les produits?

R: Oui, bien sûr, nous acceptons OEM, alors nous avons besoin de vous pour nous fournir une autorisation de marque


Q: Acceptez-vous la personnalisation des produits?

R: Oui, bien sûr, veuillez fournir des dessins ou des paramètres spécifiques, nous vous citerons après l'évaluation


Q: Quel est le délai?

R: Le délai dépend des quantités commandées, généralement dans les 7 à 20 jours suivant la réception du paiement.


Q: Quelles sont vos conditions commerciales?

R: Nous acceptons EXW, FOB, CIF, FCA, etc.


Q: Quel est votre mode de paiement?  

R: Nous acceptons T / T, Western Union, PayPal, irrévocable L / C à vue, etc.


Q: Inspectez-vous les produits finis?

R: Oui, chaque étape de production et de produits finis sera publiée par le département QC avant l'expédition. Et nous fournirons des rapports d'inspection des marchandises pour votre référence avant l'expédition


Q: Comment résoudre les problèmes de qualité après les ventes?

R: Prenez des photos des problèmes de qualité et envoyez-nous notre vérification et notre confirmation, nous vous ferons une solution satisfaite dans les 3 jours.




Usine


Certificat




Balises actives: VBI-24 Brexer de circuit à vide VBI-24 Fixe de type MV, Chine, fabricant, fournisseur, usine, prix bas, qualité, dernière vente, avancé
envoyer une demande
Informations de contact
Pour toute demande concernant l'appareillage basse tension, les isolateurs haute tension, le sectionneur de terre haute tension ou la liste de prix, veuillez nous laisser votre e-mail et nous vous contacterons dans les 24 heures.
X
Nous utilisons des cookies pour vous offrir une meilleure expérience de navigation, analyser le trafic du site et personnaliser le contenu. En utilisant ce site, vous acceptez notre utilisation des cookies. politique de confidentialité
Rejeter Accepter