Ningbo Richge Technology Co., Ltd.
Ningbo Richge Technology Co., Ltd.
Produits
Disjoncteur de circuit d'aspirateur de commutateur de colonne intégrée de la série ZN12-12
  • Disjoncteur de circuit d'aspirateur de commutateur de colonne intégrée de la série ZN12-12Disjoncteur de circuit d'aspirateur de commutateur de colonne intégrée de la série ZN12-12
  • Disjoncteur de circuit d'aspirateur de commutateur de colonne intégrée de la série ZN12-12Disjoncteur de circuit d'aspirateur de commutateur de colonne intégrée de la série ZN12-12

Disjoncteur de circuit d'aspirateur de commutateur de colonne intégrée de la série ZN12-12

Model:ZN12-12
Le disjoncteur sous vide en intérieur de la série Zn12-12 est l'équipement intérieur de trois phases AC 50Hz, tension nominale de 12 kV, qui a introduit la technologie de la société allemande. Il convient à la zone avec toutes sortes de charges et de fonctionnement fréquentes, et peut être utilisé pour la protection et le contrôle de l'industrie et de l'exploitation minière, de l'entreprise, de la centrale électrique et des installations électriques de sous-station. Ce produit est conforme aux exigences connexes des normes GB1984, JB3855, DL403 et IEC.

Disjoncteur de circuit d'aspirateur de commutateur de colonne intégrée de la série ZN12-12

  ZN12-12 Brexer de circuit à vide à haute tension intérieure Tension de 12 kV et d'appareillage de commutation à haute tension intérieur suivant, principalement installé dans l'appareillage fixe, pour les entreprises industrielles et mines, les centrales électriques et les sous-substances pour la protection et le contrôle des installations électriques, et convient pour briser les charges importantes et le fonctionnement fréquent de la place!

  Les disjoncteurs à vide de la série Zn12 sont des dispositifs d'appareillage à haute tension intérieurs avec des tensions nominales de 12 kV, 24 kV et 40,5 kV, et AC triphasé 50Hz. Il s'agit d'un produit domestique développé en introduisant la technologie allemande Siemens 3AF. Le disjoncteur a une structure simple, une forte capacité de rupture, une longue durée de vie et des fonctions de fonctionnement complètes. Et il n'y a aucun danger d'explosion, et la maintenance est simple. Il convient au commutateur de contrôle ou de protection des systèmes de transmission et de distribution de puissance tels que les centrales électriques, les sous-stations et les entreprises industrielles et mines, en particulier pour briser les charges importantes et les lieux de fonctionnement fréquents. La forme d'installation du disjoncteur dans l'armoire de commutation peut être soit un type de circuit de type fixe ou de type retrait. Ce produit est conforme à des normes pertinentes telles que GB1984, JB3855 et IEC62271-100 «Circuit Breaker à haute tension».


Avantages:

1. Le disjoncteur a adopté l'évaluation du ministère des Machines et du ministère de l'énergie électrique en août 96th, ce qui signifie que la qualité est absolument garantie.

Le mécanisme du disjoncteur est intégré à l'interrupteur, et le mécanisme spécial de l'actionneur de type de stockage d'énergie peut être utilisé par AC et DC Energy Storage ou exploité manuellement.

Avec une structure simple, une forte capacité de rupture, une longue durée de vie, des fonctions de fonctionnement complètes, pas de danger d'explosion et de maintenance facile, ce disjoncteur est adapté au commutateur de contrôle ou de protection de la transmission et du système de distribution de puissance tels que la centrale électrique, le réseau électrique de la ville, la sous-station, etc. Il convient particulièrement pour briser des charges et des lieux importants avec des opérations fréquentes.


Caractéristiques:

1. La capacité de rupture de la chambre d'éteinte à l'arc est élevée, la capacité de charge actuelle est faible et la durée de vie électrique est longue.

2. La disposition est de l'avant en arrière, de la structure simple et compacte, du fonctionnement complet et de la maintenance facile.

3. Afin de structurer et d'installer, ils peuvent être divisés en: type fixe horizontal, type fixe incliné, type mobile de set moyen.






Informations de base.



Paramètres techniques



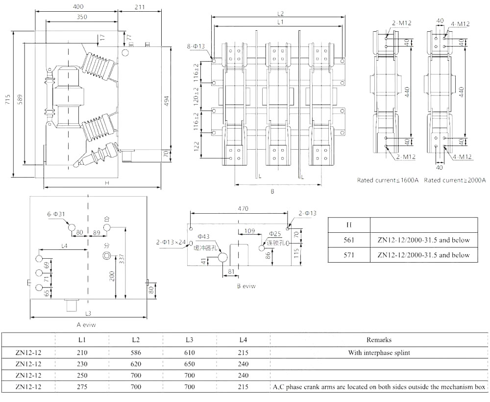
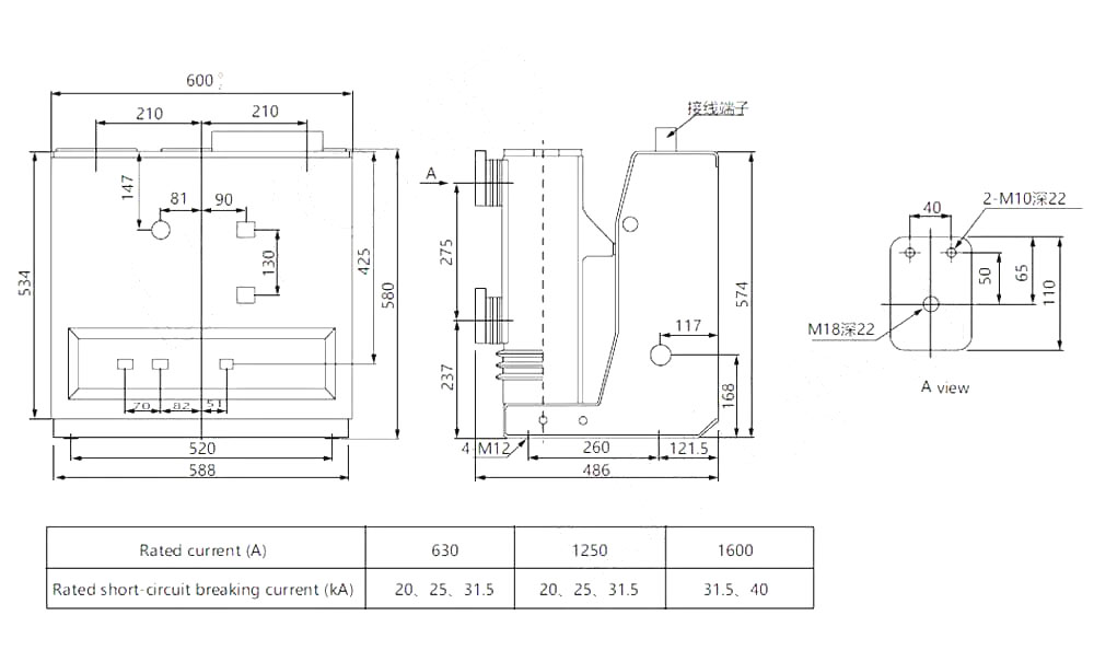
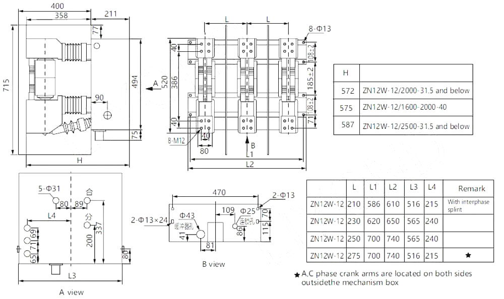
Dessins techniques


Conditions d'utilisation du disjoncteur de circuit d'aspirateur de commutation de colonne intégrée ZN12-12 1. Altitude: ≤1000 m; (L'altitude du prototype peut atteindre moins de 4000 mètres)

2. Température ambiante: le plus élevé + 40 ° C, le plus bas -25 ° C;

3. Humidité relative: moyenne quotidienne ne dépassant pas 95%, moyenne mensuelle pas plus de 90%;

4. Intensité du tremblement de terre: moins de 8;

5. Environnement d'installation: pas de feu, danger d'explosion, pas de gaz corrosif et pas de vibration violente.

6. Veuillez contacter le fabricant du disjoncteur de vide si l'environnement d'utilisation dépasse ce qui précède.




FAQ

Q: Puis-je avoir des prix de vos produits?

R: Bienvenue. N'hésitez pas à nous envoyer une demande ici. Nous vous répondrons dans les 24 heures.


Q: Puis-je obtenir un échantillon avant la commande en vrac?

R: Oui, nous accueillons un exemple de commande pour tester et vérifier la qualité. Les échantillons mixés sont acceptables.


Q: Pouvons-nous imprimer le nom de notre logo / entreprise sur les produits?

R: Oui, bien sûr, nous acceptons OEM, alors nous avons besoin de vous pour nous fournir une autorisation de marque


Q: Acceptez-vous la personnalisation des produits?

R: Oui, bien sûr, veuillez fournir des dessins ou des paramètres spécifiques, nous vous citerons après l'évaluation


Q: Quel est le délai?

R: Le délai dépend des quantités commandées, généralement dans les 7 à 20 jours suivant la réception du paiement.


Q: Quelles sont vos conditions commerciales?

R: Nous acceptons EXW, FOB, CIF, FCA, etc.


Q: Quel est votre mode de paiement?  

R: Nous acceptons T / T, Western Union, PayPal, irrévocable L / C à vue, etc.


Q: Inspectez-vous les produits finis?

R: Oui, chaque étape de production et de produits finis sera publiée par le département QC avant l'expédition. Et nous fournirons des rapports d'inspection des marchandises pour votre référence avant l'expédition


Q: Comment résoudre les problèmes de qualité après les ventes?

R: Prenez des photos des problèmes de qualité et envoyez-nous notre vérification et notre confirmation, nous vous ferons une solution satisfaite dans les 3 jours.




Usine


Certificat




Balises actives: Série ZN12-12 Série de colonne intégrée Circuit de circuit à vide, Chine, fabricant, fournisseur, usine, prix bas, qualité, dernière vente, avancé
envoyer une demande
Informations de contact
Pour toute demande concernant l'appareillage basse tension, les isolateurs haute tension, le sectionneur de terre haute tension ou la liste de prix, veuillez nous laisser votre e-mail et nous vous contacterons dans les 24 heures.
X
We use cookies to offer you a better browsing experience, analyze site traffic and personalize content. By using this site, you agree to our use of cookies. Privacy Policy
Reject Accept